我校信息学院先进电力与能源系统中心(PEARL)王浩宇教授课题组提出了一种新型可重构的LLC谐振电路结构,与同类型拓扑构型相比,该电路可在更窄的开关频率调节范围内实现更宽的电压输出范围,进而取得更高的能量转换效率,适用于插电式电动车电池组充电场景。近日,该成果以“A Five-Switch Bridge Based Reconfigurable LLC Converter for Deeply-Depleted PEV Charging Applications” 为题,于电力电子领域顶级期刊《IEEE Transactions on Power Electronics》(影响因子6.812)上在线发表。
由于能源危机与环境问题带来的严峻挑战,插电式电动车因其节能、污染低等优点受到越来越多的关注。如何针对电池组的宽电压范围实现高能效车载充电,是电动汽车技术的一个研究重点。LLC谐振变换器以其转换效率高、功率密度大、和电磁干扰低等优点而被用来作为车载充电的一个主流电路。然而传统LLC谐振电路为了拓宽电压输出范围,需要相应地增大开关频率调节范围。这样会增大损耗、降低转换效率,并给电路的参数设计带来很大的挑战。
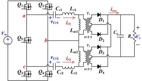
为了实现宽电压范围下的窄频率调节范围,PEARL实验室提出了一种新型可重构的原边桥结构。通过控制该原边桥的不同开关处于常通或者常断状态,此可重构桥LLC谐振电路可以根据不同输出电压要求工作在调压比为1:2:3:4的四种模态下,即集成半桥、半桥、混合桥和全桥模态。在四种不同调压比模态的帮助下,需要由频率调节控制的输出电压变化范围的将被大大减小,进而同时实现了宽输出电压范围和窄频率调节范围,这有助于整个电路取得更高的转换效率。
该新型电路拓扑在电动汽车、光伏发电等需要宽调压范围的应用场景具备明显优势。同时,所提出的设计思想可以拓展到其它工况变化剧烈的应用场景中。
该项工作全部在上科大完成,2016级硕士研究生李诚为第一作者,2018届硕士毕业生尚明为第三作者,王浩宇为通讯作者,上科大为第一完成单位。该项研究得到了上科大科研启动基金,国家自然科学基金和上海市扬帆计划的支持。
论文链接:https://ieeexplore.ieee.org/document/8486680/

提出的基于可重构桥的LLC谐振电路拓扑

电压增益随开关频率变化曲线

模态切换的示波器波形图

李诚、王浩宇教授(左起)在实验室
