我校信息学院先进电力与能源系统中心(CAPES)王浩宇教授课题组提出了一种适用于高压直流微电网的新型三端口电路结构。与传统结构相比,该电路具有高功率密度、高电压增益、低电压应力等优势,可实现更高的能量转换效率。近日,该成果以“A ZVS Three-port DC/DC Converter for High-Voltage Bus Based Photovoltaic Systems”为题,在电力电子领域顶级国际期刊《IEEE Transactions on Power Electronics》上在线发表。
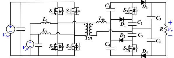
面对能源危机与环境问题带来的严峻挑战,高压直流微电网以其结构简单、没有无功功率等优点,在可再生能源发电领域具有广泛的应用前景,受到了越来越多的关注。在传统的高压直流微电网中,电源、负载、储能系统之间存在多级功率变换,这会造成功率密度低、能量转换效率低、体积大等一系列问题。为了构建高效率,低成本的高压直流微电网,课题组提出了一种新型三端口电路结构。该新型结构通过集中式复合控制策略,实现了在单个变换器中同时控制多个功率流动过程的功能,从而达到单级功率变换、高电路集成度、高转换效率等一系列目标。与此同时,相比于传统的直流变换器,该结构具有高电压增益,低电压应力的特性,使其十分适用于低输入电压,高直流母线电压的高压直流微电网应用场景。
该项工作全部在上科大完成,2017级硕士研究生邓钧运为第一作者,王浩宇为通讯作者,2018届硕士毕业生尚明为共同作者,上科大为第一完成单位。该项研究得到了上科大科研启动基金、国家自然科学基金和上海市扬帆计划的支持。
文章链接:https://ieeexplore.ieee.org/document/8629308

高压直流微电网的结构框图

提出的三端口电路的结构图

第一作者邓钧运同学在实验室
