信息学院智慧能源中心(CiPES)王浩宇教授及其指导的电力电子与可再生能源实验室(PEARL)致力于研究电力电子学科在交通电气化、可再生能源系统、物联网、数据中心等新兴领域的应用。实验室利用先进拓扑、功率器件、磁性材料和控制算法来寻求更加高效、高功率密度、高可靠性的电源管理方案,实现科研与产业的紧密融合。近日,该团队在电力电子领域代表性学术期刊IEEE Trans. Ind. Electron.(TIE)上发表两项最新研究成果,分别针对“如何提升双有源桥变换器的动态响应性能”及“如何实现单输入双输出隔离谐振功率变换”提出了新的解决思路。

PEARL合照(王良:左四;束冬冬:右二)
改善双有源桥动态性能的新型通用四移相调制方法
在直流微网应用中,分布式可再生能源,如风能、太阳能等易受环境因素影响,无法持续产生稳定的电能。因此,通常需要利用储能系统作为电能缓存单元,使得系统维持高效稳定的工作。在储能系统和直流电网之间需要安装双向DC/DC变换器,以实现功率的双向流动。为解决传统双有源桥拓扑在频繁的负载变化过程中出现的电感电流直流偏置和动态响应速度过慢的问题,王浩宇团队提出了一种新型四移相调制方式。其主要思路是在传统三移相调制的基础上,增加一个原边控制信号与控制器载波之间的移相角,使得电感电流过零点与控制器的载波周期同步。该方法可以有效消除动态响应中的偏置电流,并加快动态响应速度。该控制方法具备通用性,适用于双有源桥变换器的所有主流调制方式。

典型的直流微网架构(左)及双有源桥四移相调制方法的控制效果(右)
信息学院2020级博士生束冬冬为第一作者,王浩宇为通讯作者,上科大为第一完成单位。本项研究得到了国家自然科学基金、上海市科委启明星计划等项目支持。
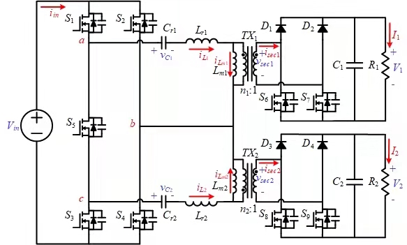
单输入双输出的宽增益范围LLC谐振变换器
在可编程电源,集成式电池充电器和多通道LED驱动等应用场景中,通常需要多个宽电压范围的直流输出端口。王浩宇团队提出了一种基于H5桥的单输入双输出宽电压范围LLC变换器。原边包含一个可重构的H5桥和两个独立的谐振腔,通过对H5桥的重构,每一个谐振腔的输入都可以配置成全桥、半桥或者闲置模式。在副边,通过对半主动整流器的占空比控制,可以实现两个端口输出电压的调节。整个变换器始终保持在谐振频率,通过对原边H5桥模式的选择和副边半主动桥占空比的协同调控,可以实现两个相互独立的较宽电压范围(100V-400V)的输出。所有的金属-氧化物半导体场效应晶体管可以实现零电压开通,并且二极管均可实现零电压关断,因此整个变换器具有较好的效率表现。

单输入双输出的LLC变换拓扑及其电压调制曲线。在半桥模式下可以实现0.5-1倍的增益,在全桥模式下可以达到1-2倍(200V-400V)的增益。
信息学院2021级博士生王良为第一作者,王浩宇为通讯作者, 2019级博士生薛波和2021级博士生周明德为共同作者,上科大为第一完成单位。本项研究得到了国家自然科学基金、上海市科委启明星计划等项目支持。
相关论文及链接:
1. Universal control scheme to achieve seamless dynamic transition of dual-active-bridge converters using zero-current prediction (https://ieeexplore.ieee.org/document/9464635)
2. H5-Bridge based Single-Input-Dual-Output LLC converter with wide output voltage range(https://ieeexplore.ieee.org/document/9492828)
