无线充电系统具有安全性、便捷性、通用性等特点,能够为工业制造、能源网络、交通电气化等新兴领域中的终端除去“最不智能”的最后一根线。傅旻帆教授课题组2020级博士研究生赵鹏的一作论文“Heat Distribution of IPT Receiver with Low-Voltage and High-Current Output”,针对低压大电流输出的单级无线充电系统接收侧存在的热问题,分析了谐振补偿网络对功率损耗与热分布的影响,并证明了高阶补偿给予更多的系统设计自由,同时具有改善接收器热分布的潜力。同时,赵鹏获得了APEC最佳报告奖。

两种不同补偿网络的接收器功率损耗与热分布情况

针对现有的电感功率传输(IPT)小信号模型阶数高,降阶方法复杂且不通用等问题,傅旻帆教授课题组2021级博士研究生郑广策的一作论文“Reduced-Order Model for Inductive Power Transfer Systems”,提出了一种针对现有IPT系统的通用降阶方法。相比现有的降阶方法,本方法具有很直观的物理含义,且适用于任意IPT系统。论文以LCC-C补偿的IPT系统为例,使用了这种降阶方法,使原本的13阶系统降为7阶系统,同时也保证了较高的精度,对于后续反馈回路的设计具有重要作用。

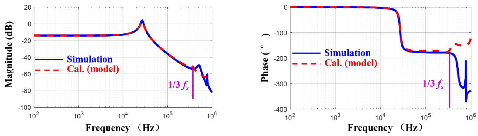
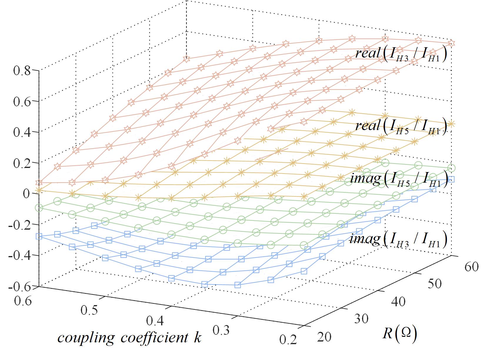
精确的耦合系数与负载估计对于无线功率传输(WPT)系统的优化控制具有重要意义。刘宇教授课题组2020级博士研究生岳康的一作论文“Coupling Coefficient and Load Estimation for Wireless Power Transfer Systems with Transmitter Side Input Current”,针对WPT系统提出了一种充分利用电流高次谐波信息同时估计耦合系数与负载的方法。与现有方法相比,该方法仅需发射线圈输入电流,无需接收线圈信息,可以同时准确估计耦合系数与负载,并且可适用于较复杂的WPT拓扑。

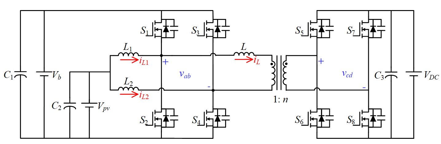
王浩宇教授课题组2021级博士研究生王良的一作论文“A Fully ZVS Dual-Active-Bridge Based Three-Port Converter with High Integration”,针对太阳能光伏面板的储能系统,提出了一种三端口变换器,不仅能实现太阳能面板最大功率点追踪,也通过双向直流变换器连接的电池达到功率削峰填谷的功能。此外,三个端口可以实现灵活的功率传输。在优化控制下,所有的MOSFET都可以实现ZVS软开关,因此变换器具有较高的效率表现。


基于buck-boost型自感知同步电荷提取(SECE)电路在强不连续导通模式(DCM)下的电感电流特性,梁俊睿教授课题组2021级博士研究生高玲珑的一作论文“A Self-Sensing Synchronous Electric Charge Extraction (SECE) Solution for Piezoelectric Energy Harvesting Enhancement”,提出了一种针对压电能量收集的新型SECE解决方案。与传统SECE解决方案不同,该设计可以在无外部传感器的情况下采集振动信息并检测电压峰值。该解决方案为同步开关控制的设计和实现提供了更大的自由度和适应性。

智慧电力与能源系统中心刘宇教授课题组在2021 PESGM发表4篇论文,内容涉及输电线路继电保护、故障定位、基频相量精确提取、电力网络参数估计等研究方向。
输电线路差动保护原理不依赖电源特性,因此在未来大规模新能源接入的电力系统中具有较好的适应性。2020级博士研究生王冰林的一作论文“An Improved Current Differential Protection Scheme on Non-Homogeneous Transmission Lines Considering Fully Distributed Parameter Model and Line Asymmetry”,提出了一种针对复杂混合输电线路的差动保护方案。其针对复杂混合输电线路进行相量域的精确建模,完全考虑了线路的分布参数特性以及非对称结构。实验表明,相比于传统差动保护,该方法在区内故障时能更快地切除故障,在区外故障时具有更好的安全性。

针对未来电网中强暂态、短时间窗的故障定位问题,时域故障定位方法具有更好的适用性。2019级博士研究生芦大有的一作论文“Accurate Time-Domain Fault Location Method on Practically Transposed Transmission Lines”,提出了针对实际换位输电线的精确时域故障定位方法。通过建立精确的时域实际换位输电线模型,并采用贝瑞隆模型求解电压分布实现精确故障定位。与基于理想换位假设的现有故障定位方法相比,该方法具有更高的模型精度与故障定位精度。

基频相量法是电力系统分析的重要手段之一,其有效性依赖于精确的基频相量估计。以2021级博士研究生卢典为第一作者的论文,“Generalized Phasor Estimation Method Based on DFT with DC Offset Mitigation”中,提出了一种基于离散傅立叶变换(DFT)的广义基频相量估计方法,能有效地抑制系统强暂态过程中直流偏置对基频相量估计精度的影响。该方法充分考虑相量估计的冗余度问题,将时域信号DFT结果划分为N组独立集合,并通过状态估计的方法系统性求解直流偏量和基频相量。实验表明,该方法与现有方法相比具有更高的估计精度。


电力网络的精确参数估计对电力系统安全稳定运行具有重要意义。同步相量测量装置(PMU)能精确测量系统节点电压幅值与相位,但真实电力系统中安装PMU的节点数量往往非常有限。2019级硕士研究生贾亦雄的一作论文“Improved Admittance Matrix Estimation on Power Networks Based on Hybrid Measurements”,提出了一种基于混合测量值的电网精确参数估计方法。该方法仅要求在电源节点处安装PMU,而在其它节点处安装传统的电压幅值测量值。实验表明,该方法在准确估计参数的同时,仅需安装少量PMU,与电网实际情况更加匹配。


据悉,电力电子应用展会是目前全球电力电子、电源领域级别最高、规模最大的学术会议,是电力电子领域国际顶级学术会议。电力与能源学会年会由IEEE电力与能源学会主办,是电力系统领域级别最高、规模最大的国际顶级学术会议。
