九游体育(www.jiuyou.com)官方网站信息学院智慧电气科学中心(CiPES)在无线充电系统的多线圈效率评估、超宽范围以及模型分析等方面取得进展,相关成果在电力电子领域国际期刊IEEE Transactions on Power Electronics上在线发表。
多发射多接收耦合器的最优端口激励
无线电能传输作为一种非接触式电能传输技术,具备更加安全、便利等特点,近年来在中小型智能消费电子领域广泛应用。当前,针对多负载场景或负载偏移的场景,常采用多线圈来增强耦合。对于采用多发射多接收线圈的系统,现有的研究已推导出最优激励电流和最优负载来最大化耦合器效率,然而,这些分析忽略了各种接收端的实际功率需求。为此,研究人员对多发射多接收耦合器的最优条件进行了全面的分析,根据实际需要,定义了一个标准的优化问题,并用拉格朗日乘子法求解。此外,研究人员分析了耦合器效率最优的端口条件,揭示其物理意义,并建立一个统一的视角来理解不同的系统。通过对不同耦合器的评价和比较,证明了优化分析的意义。基于所提出的交流分析,有效地讨论了耦合和功率分配的影响。
该成果以“Optimal Terminals of a Multi-Transmitter Multi-Receiver Inductive Coupler with Equality Power Constraints”为题发表。信息学院2020级博士贺蓉为第一作者,傅旻帆教授为通讯作者,上科大为第一完成单位。

图1 仿真设置

图2 三发射双接收耦合器
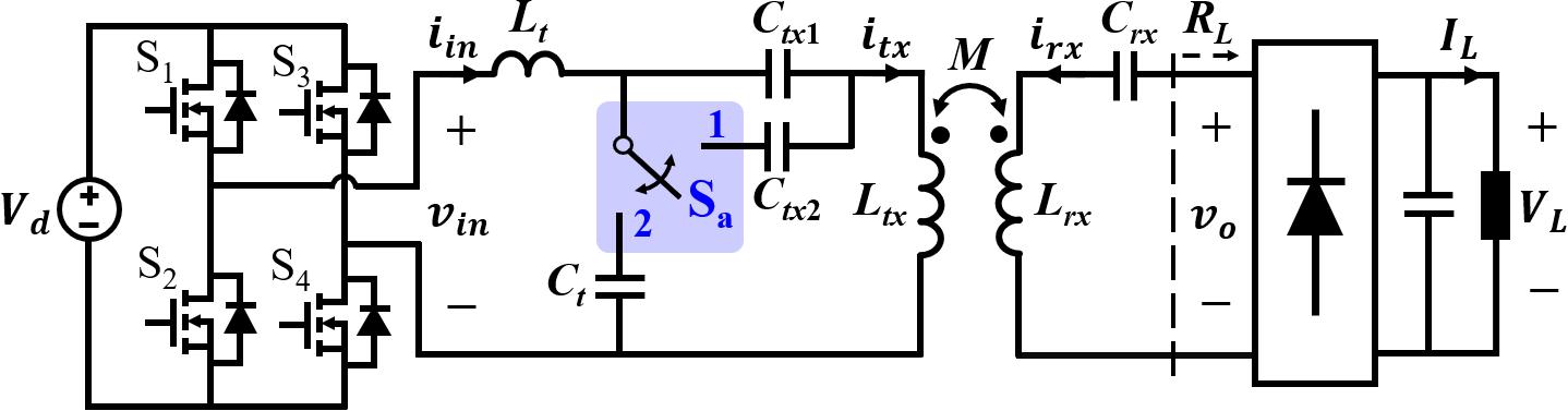
基于LCC/S-S失谐补偿的超宽耦合范围无线充电系统
当功率从发射器传送到接收器时,感应式无线电能传输系统的一个常见的挑战是要减小耦合变化对目标 (如效率、输出电压和输出功率) 的影响。为解决这个问题,研究人员对IPT系统的耦合器、补偿和有源变换器进行了探索,通过系统失谐设计,分析了系统功率的耦合敏感性,提出了一种可重构LCC/S-S补偿,并使其工作在失谐状态,以进一步扩大耦合变化范围,稳定输出功率。在SS模式下,定义了两个阻抗因子,以帮助研究功率波动与耦合变化的相关性。研究首次从数学的角度解释了失谐补偿的理论极限,进而统一了对各种失谐系统的认识。
该成果以“Detuned LCC/S-S Compensation for Stable-output Inductive Power Transfer System Under Ultra-wide Coupling Variation”为题发表。信息学院2020级博士赵鹏为第一作者,傅旻帆教授为通讯作者,上科大为第一完成单位。

图1 提出的失谐IPT系统

图2 耦合器输出功率和系统效率
无线电能传输系统的解耦状态平面分析
状态平面分析方法由于其简单且图形化等优势被广泛应用于分析电路谐振现象的方法。然而,由于多个谐振元件的相互耦合,状态平面分析方法在处理超过三个谐振元件的系统存在巨大的挑战。无线电能传输系统由于初级侧和次级侧补偿网络的存在,谐振元器件个数普遍大于3,状态平面分析方法无法处理该情况。为了解决这个问题,研究人员提出了一种解耦状态平面分析方法,将耦合的系统解耦成若干个串联谐振系统,进一步简化了系统的分析。此外,该方法不仅适配于SS补偿网络,也可推广至LCC-S和LCC-LCC等高阶补偿网络。
该成果以“Decoupled State-Plane Analysis of Series-Series Compensated Bidirectional IPT Systems”为题发表。信息学院2019级博士薛波为第一作者,王浩宇教授为通讯作者,上科大为第一完成单位。

图1 解耦等效回路轨迹图

图2 实验结果验证
