随着直流微电网对功率等级提升和损耗降低的需求不断增强,系统母线电压已逐步升至800V以上。由于储能系统中常用电池组的电压多为400V等级,对并网双向变换器提出了更高的升压比要求。因此目前广泛采用输入并联输出串联(IPOS)结构的多模块双有源桥(DAB)变换器,但传统调制方式在宽电压范围内易导致环流增大和零电压开关(ZVS)范围缩小,影响效率。
为提升IPOS-DAB在宽电压范围内的效率,九游体育(www.jiuyou.com)官方网站信息科学与技术学院智慧电气科学中心王浩宇团队在基于可调制耦合电感的IPOS-DAB拓扑基础上,提出一种新型混合调制方案,并搭建了一台100 kHz 2 kW的样机进行概念验证。该方案结合非对称脉宽与相移调制,并引入隔直电容,使原副边电压近似匹配,在200–400V输入、800V输出条件下显著优化环流并扩展ZVS范围,实现双向功率传输峰值效率98.3%,20%–100%负载效率不低于96%。

图1:800V直流微电网示意图

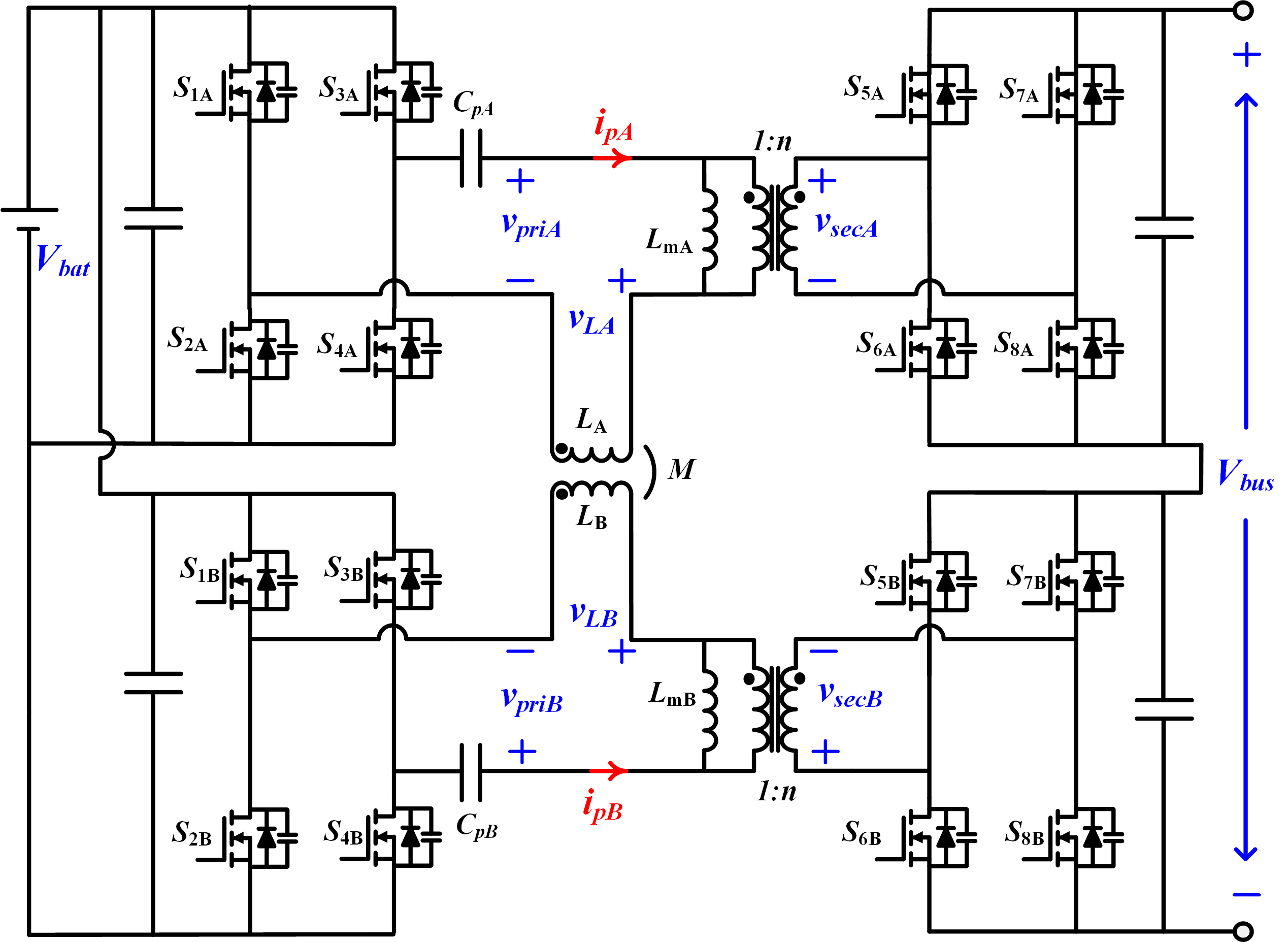
图2:变换器拓扑结构
此外,两个DAB模块中的独立电感被替换为一个耦合电感,通过调制控制其激励方向,实现等效电感值的两档调节,无需额外电路。根据电压增益与功率需求,系统可动态切换激励模式,在重载下优化环流,同时保持轻载下的软开关能力,兼顾全负载范围高效运行。

图3:混合调制方案示意图:(a)正向激励模式 (b)反向激励模式

图4:实验样机
该成果以“Wide Voltage Range Efficiency Enhancement Scheme for Input-Parallel-Output-Series DAB Converters in 800V DC Microgrids”为题发表于IEEE Transactions on Power Electronics。上科大信息学院2024级博士生张昊宇为第一作者,王浩宇教授为通讯作者,上科大为第一完成单位。
