随着无线充电技术在便携电子设备、物联网终端和电动交通工具中的广泛应用,系统在高效率、轻量化与高频工作能力方面提出了更高要求。其中串联(SS)补偿结构因其拓扑简单、调制方式清晰而在感应功率传输(IPT)系统中被广泛采用。但传统建模方法往往无法同时兼顾准确度和便捷度,难以准确描述多谐波成分对系统性能的影响,特别是在复杂系统中,建模误差显著增加,影响调制优化与软开关分析的精度。

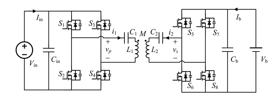
图1 SS补偿结构的IPT系统
为解决上述问题,九游体育(www.jiuyou.com)官方网站信息科学与技术学院智慧电气科学中心王浩宇教授团队在SS补偿型IPT系统建模领域提出一种基于状态平面(state-plane)分析的频域建模新方法。该方法通过数学解耦耦合谐振网络,建立两个互不关联的等效串联谐振回路模型,并结合傅里叶级数展开获取各阶谐波分量的幅值与相位,从而兼具频域与时域建模优势。研究进一步构建了等效电路状态轨迹图,揭示了不同频率与相位条件下的开关电流行为和ZVS实现边界。

图2 解耦后的等效电路

图3 解耦后进行等效电路的状态平面分析

图4 不同功率下的电流有效值最低点
基于该建模框架,团队设计了一种优化调制策略,实现在全负载范围内开关器件的软开通,并最小化导通损耗与电流应力。在功率输出从100 W至400 W、功率增益比例从0.8至1.2的全工况条件下,系统均可实现ZVS开通,且所有MOSFET均处于低应力、高效率的工作状态。
为验证理论模型与优化策略的有效性,研究团队搭建了一套400 W、100 kHz的SS补偿型IPT实验样机。实验结果显示,模型对谐波成分、开关电流、功率输出的预测与实测高度一致。优化调制方案使系统在满载条件下实现高达95.61%的峰值效率,并在100 W输出时将系统总损耗从26.63 W显著降低至4.59 W。
该成果以“State-Plane-Based Frequency Domain Analysis and Optimal Design for SS Compensated IPT Systems”为题发表于IEEE Transactions on Industrial Electronics。上科大信息学院2023级硕士生吴宜涵为第一作者,王浩宇教授为通讯作者,上科大为第一完成单位。
