Recently, SIST professor Wang Haoyu’s group from CiPES proposed a novel LLC-based, highly efficient hybrid hierarchical equalization structure for series-connected battery strings. The paper, titled “An LLC Based Highly Efficient S2M and C2C Hybrid Hierarchical Battery Equalizer,” was published in IEEE Transactions on Power Electronics. Compared with traditional equalization techniques, the proposed hybrid structure achieves a good compromise among efficiency, components count, energy-flow-path length, and circuit extendibility.
Over the past decade, eco-friendly plug-in electric vehicles have drawn broad attention in industry and academia. In high-voltage and high-power electric vehicle energy storage systems, it is necessary to connect low-voltage lithium-ion batteries in series. Due to the variance among battery cells, series-connected battery string suffers from overcharge and over depletion problems. Those issues are hazardous and severely limit the available capacity and battery lifetime. Currently, most of the commercial solutions utilize passive equalization: the excess charge is converted into heat via resistors, which is blamed for low efficiency and heat management issues.
To improve the situation, Professor Wang Haoyu’s group proposed an energy-efficient hybrid hierarchical battery equalization structure. The hybrid design methodology is utilized to configure a cell-to-cell and string-to-module hierarchical equalization structure. Meanwhile, the circuit parameters of each balancing level are optimized, which achieves the high efficiency, short energy-flow-path length, and less component count. Compared with the traditional equalization techniques, this method optimizes efficiency, components count, energy-flow-path length, and circuit extendibility. This ensures the proposed method fits the application of battery balancing with a long battery string.
This work was carried out at ShanghaiTech University. Master’s degree student Peng Faxiang is the first author, Professor Wang is the corresponding author and master’s degree student Wei Zhengqi is the co-author. ShanghaiTech University is the first accredited organization. This work was financially supported by the Natural Science Foundation of China.
Read more at: https://ieeexplore.ieee.org/document/8873627

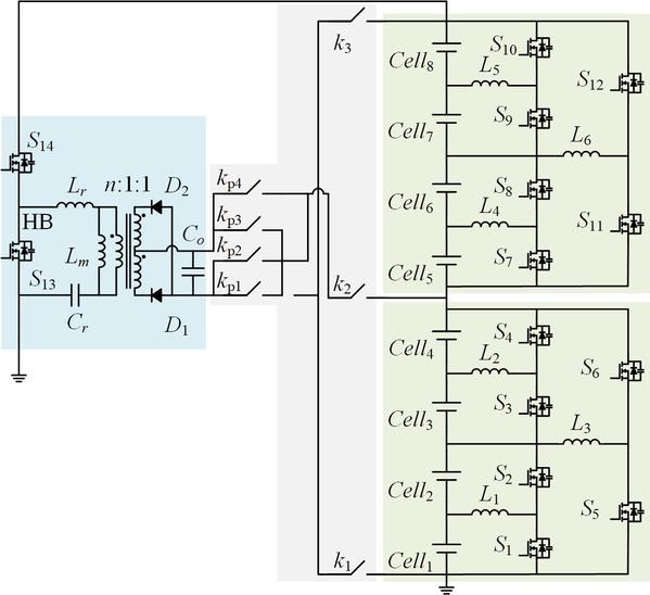
Fig. 1. Detailed schematic of the proposed battery equalizer with 8 cells.

Fig. 2. Photo of the experiment setup.

Fig. 3. Voltages of battery string during the balancing process.

Fig. 4. Photo of the first author: Faxiang Peng
