Assistant Professor Yang Hengzhao’s Energy Storage Laboratory (ESL) at the School of Information Science and Technology (SIST), ShanghaiTech University, develops a dual-mode supercapacitor fast charger. By employing continuous and fine-tuned pulse currents, the charger significantly accelerates the supercapacitor charging speed.
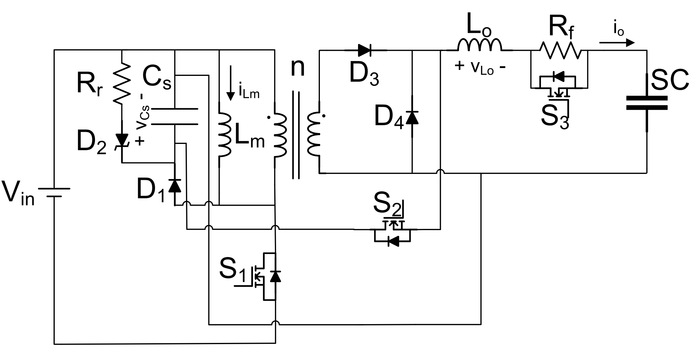
As an energy storage technology, supercapacitors feature a high power density, a long cycle life, and a wide operating temperature range. In particular, supercapacitors can be charged by a relatively large pulse current for a limited period of time. Taking advantage of this critical feature, ESL proposes a dual-mode supercapacitor fast charger that incorporates the continuous current mode and the pulse current mode. Based on the conventional forward converter, the proposed charger introduces an energy storage capacitor Cs and a branch resistor Rf to tune the rising and falling edges of the pulse current, respectively.
A prototype is built and tested using a 3 V/6 F supercapacitor. To charge the supercapacitor from 2 to 2.5 V, the proposed charger takes 0.87 and 1 s when it is configured to operate in the dual-mode and the continuous current mode only, respectively, achieving a 13% reduction in the charging time. Compared to the forward converter, the proposed charger results in much faster transitions between the continuous (2.4 A) and pulse (7.1 A) current modes. The pulse rising and falling times for the proposed charger and the forward converter are 2.1 versus 147 µs and 7.2 versus 103 µs, respectively.

Figure 1: Topology of dual-mode supercapacitor fast charger.

Figure 2: Prototype of dual-mode supercapacitor fast charger.


Figure 3: Experimental results: (a) Supercapacitor voltage and charging current during charging process; (b) Continuous and pulse currents.
This work entitled “Design and Implementation of a Dual-Mode Supercapacitor Fast Charger Employing Continuous and Fine-Tuned Pulse Currents” has been published in the IEEE Transactions on Circuits and Systems I: Regular Papers. Third-year master’s student Yang Chen advised by Prof. Yang is the first author and Prof. Yang is the corresponding author.
*This article is provided by Prof. Yang Hengzhao.
