• SIST Achieves Fruitful Results in AI Research Since 2020
    Since the beginning of 2020, a total of 29 academic papers from the Visual & Data Intelligence Center of SIST have been accepted by top-tier international conferences, covering research hotspots including computer vision, machine learning, natural language processing, computer graphics, and multi-agent systems. Those research outcomes address a variety of real-world problems in digital enterta...
    2020-06-05
  • SIST Undergraduate Student Published a Paper in ACM/IEEE DAC Conference
    Li Rui, a senior undergraduate student from the research group of Professor Ha Yajun, had a paper accepted by ACM / IEEE Design Automation Conference (DAC 2020) (Paper title: DVFS-Based Scrubbing Scheduling for Reliability Maximization on Parallel Tasks in SRAM-based FPGAs) as the first author. This is Li Rui’s second scientific paper accepted by international conferences in this year. His first ...
    2020-06-05
  • SIST PMICC Center Makes Progress in Novel Device Research
    Digital electronic computer is the driving force that fuels our modern civilization. Modern computation has allowed the development of ever-increasing computing power by size scaling following the Moore’s Law. However, since the size scaling of CMOS technology has shown evidence of approaching a limit due to increased power density at small technology nodes, conventional digital computation using...
    2020-04-02
  • SIST Liu Yu’s Research Group Publishes Two Papers in IEEE Transactions on Power Delivery
    Recently, Professor Liu Yu’s group from Center for Intelligent Power and Energy Systems (CiPES) of SIST, proposed two accurate fault location methods on long and complex transmission lines. These two papers were published online in IEEE Transactions on Power Delivery, the best peer-reviewed journal in the field of power system protection, transmission and distribution. High-voltage long...
    2020-03-02
  • The Effective Tailoring of the Spin Texture in Engineered Magnetic Topological Insulator Heterostructures
    Magnetic topological insulators (MTIs), which integrate both topology and magnetism within one system, have greatly broadened the research scope of quantum materials and spintronics. In contrast to the traditional magnetic atom doping method, MTI heterostructures, which can be realized by the combination of a topological insulator and a high-temperature magnetic material, have unique advantages. I...
    2020-02-16
  • Professor Zhao Dengji's Research Group Gets Five Papers Accepted at the Prestigious AI Conferences AAMAS-2020 and ECAI-2020
    Recently, the paper acceptance results of the 19th International Joint Conference on Autonomous Agents and Multi-Agent Systems (AAMAS-2020) and the 24th European Conference on Artificial Intelligence (ECAI-2020) have been announced. Five papers from Professor Zhao Dengji's research group of SIST were accepted. It is worth mentioning that the first authors of the accepted papers are n...
    2020-01-22
  • DREAM 2019 Sub-Challenge Awards Third Place to ShanghaiTech Team
    DREAM 2019 Challenge organizers recently announced competition and the ShanghaiTech team from SIST named “SingleCellLand” won the Third Place (out of 291 teams worldwide) in the first sub-challenge. The team was guided by Professor Zheng Jie, the director of SIST’s Smart Medical Information Research Center (SMIRC). Other team members include Professor Zheng’s master’s degree students Dai Xinn...
    2019-12-29
  • Research Breakthrough Made in Network Theory
    IEEE INFOCOM 2020
    Recently, Professor Shao Ziyu’s research group made a breakthrough in fundamental theory of networking, solving an open problem: how to systematically design effective large-scale network topology? Their article “Systematic Topology Design for Large-Scale Networks: A Unified Framework” was accepted by IEEE International Conference on Computer Communications (IEEE INFOCOM 2020).In the field of n...
    2019-12-26
  • Researchers Named Best Paper Finalists at IEEE ROBIO
    The 2019 IEEE International Conference on Robotics and Biomimetics (ROBIO) was held in Dali, Yunnan, from Dec 6th to 8th. The conference, which will be held in Florence, Italy next year, accepted 403 papers from 739 paper submissions for oral presentations. The ShanghaiTech Automation and Robotics Center (STAR Center) groups of Assistant Professors Sören Schwertfeger and Andre Rosendo  submit...
    2019-12-18
  • SIST Completes 1st 5-Year International Review
    On November 22-23, ShanghaiTech University invited an international evaluation team of 12 members composed of distinguished experts and scholars in the field of information science and technology to conduct a comprehensive evaluation of SIST’s development and construction. On the afternoon of the 23rd, the evaluation team gave their overall assessment to President Jiang Mianheng, Chairman of the ...
    2019-11-30
  • Autonomous Driving Summit Highlights Work on Vision-Based Perception and Fog Computing
    On October 26th, SIST Professor Yang Yang and Assistant Professor Laurent Kneip were to speak at the Global Autonomous Driving Summit in Suzhou. The event was organized by the local government of Suzhou’s Xiangcheng district, who released an exhaustive and well-coordinated plan on urban development and attraction of emerging high-tech industries focusing on intelligent transportation. The ev...
    2019-10-31
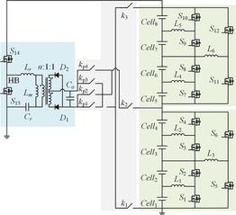
  • Improved Battery Equalization Scheme Promises Higher Efficiency
    IEEE Transactions on Power Electronics
    Recently, SIST professor Wang Haoyu’s group from CiPES proposed a novel LLC-based, highly efficient hybrid hierarchical equalization structure for series-connected battery strings. The paper, titled “An LLC Based Highly Efficient S2M and C2C Hybrid Hierarchical Battery Equalizer,” was published in IEEE Transactions on Power Electronics.  Compared with traditional equalization techniques, t...
    2019-10-25
  • Novel ANOVA Based Bayesian Inference for High Dimensional Inverse Problems Proposed
    Journal of Computational Physics
    SIST Assistant Professor Liao Qifeng’s group recently proposed a novel ANOVA based model reduction method for high-dimensional Bayesian inferences, which was published in Journal of Computational Physics with the title of “An adaptive reduced basis ANOVA method for high-dimensional Bayesian inverse problems.” This work provides an efficient method for the challenging high-dimensional Bayes...
    2019-10-18
  • Top Conference Highlights Latest Research in Computer Vision
    Recently, four papers from SIST were accepted by International Conference on Computer Vision (ICCV) 2019. Among them, two papers come from Professor He Xuming’s research group, one paper comes from Professor Gao Shenghua’s research group and one paper comes from Professor Yu Jingyi’s research group. The International Conference on Computer Vision (ICCV) is one of the highest-level internat...
    2019-09-13